MFJ-989D VERSA TUNER V OMBOUWEN TOT S-MATCH
For eng version click on flag ![]()
06-nov-2018 Correctie schema
(tnx IW2CFB)

MFJ-989D voor en na de modificatie.
INLEIDING

Een MFJ-989D Versa Tuner is een A-symmetrische antennetuner uitgerust met een T-filter (T-match) systeem. Om ook een symmetrisch antennesysteem aan te kunnen passen, kan achter het filter een stroombalun (current balun) geschakeld worden. Hoewel zo'n configuratie bij veel antennes met openlijn voeding goed kan werken, is dat niet altijd de beste methode. Een echte symmetrische antennetuner is dan de aangewezen weg.
Een MFJ-989D met onbekende veranderingen en ontbrekende stroombalun werd ter beschikking gesteld om er "iets" van te maken. Een mooie gelegenheid om te onderzoeken of het geschikt was voor ombouw tot een symmetrisch systeem. Omdat de twee variabele condensators al standaard geïsoleerd van de kast gemonteerd waren, werd gekozen voor conversie naar een S-Match tuner.
|
Hoe het idee van een S-Match ontstond. |
Test of een MFJ-989D Versa V tuner geschikt is voor ombouw naar een S-Match. |
Een experiment met een provisorisch gemonteerde balun wees uit dat een modificatie goed uit te voeren was.
SCHEMA
Het schema van een MFJ-989D ziet er zo uit:

MFJ-989D CONVERSIE NAAR S-MATCH
Het gedeelte dat een S-match wordt, ziet er dan zo uit:

CONDENSATOR
Het afstembereik van een S-Match wordt behalve door de rolspoel mede bepaald door minimum en maximum capaciteit van een variabele condensator.
In deze MFJ-989D hebben beide variabele condensators twee secties van maximum 2 × 250 pF en minimum van 2 × 22.5 pF. Op een bepaalde band kan het met een antenne voorkomen dat een condenstor op maximum te weinig capaciteit heeft of de minimum capaciteit te groot is om het systeem in resonantie te brengen. Door de bedrading van SW2 te wijzigen, kan zonder extra schakelaar de eerste condensator (C1) parallel aan de tweede condensator (C2) gezet worden. Van C2 worden de twee secties in serie gemonteerd. Zodoende heeft men de beschikking over een minimum capaciteit van 22.5 ÷ 2 = 11.25 pF en een maximum van C1 + C2 = 500 + (250 ÷ 2) = 625 pF. Daarmee kunnen veel antennesystemen aangepast worden, maar 11.25 pF plus de capaciteit van de bedrading kan wel eens net te groot zijn voor de 10 m band. Verder zal men in sommige situaties geen 2 knoppen, maar 3 knoppen moeten bedienen. Meestal is C2 alleen voor 10 - 30 m en voor 40 - 160 m wordt C1 parallel geschakeld.

Door in serie sckakelen van secties wordt C2: 11.25 - 125 pF. C1 (45 - 500 pF) kan met de schakelaar parallel aan C2 gezet worden.
BALUN

De balun wordt gemaakt met Teflon geïsoleerd draad op een rode T200-2 ringkern (groter type kan ook). Breng 16 windingen (a - d) en twee maal 8 windingen (b - b'; c - c') aan.
De aansluitingen van condensator (#e en #f) en rolspoel (#g en #h) worden elk met twee draden of lintlijn verbonden met een van de porceleinen antenne aansluitingen aan de achterkant van de kast.
Het aanbrengen van wikkelingen en het verbinden met de rest van de tuner blijkt voor sommigen een probleem te zijn. Ook uit het buitenland zijn daar vragen over. Als iets verkeerd gedaan is, kan de ringkern warm worden. Onderstaande stapsgewijze methode zal hopelijk de vervaardiging verduidelijken.

De volgorde van het wikkelen. Linkerkant: blauw = input, rood & zwart = condensator. Rechterkant: rood & zwart = spoel.
ROLSPOEL

De fabrikant adverteert in superlatieven over de rolspoel en de tuner zou geschikt zijn voor 1500 Watt. Daarvoor is de draad van de rolspoel veel te dun en het vermogen zou alleen waar zijn, als het antennesysteem een zeer gunstige impedantie heeft. Mijn antenne op 160 m is maar 2 × 17.30 m. Met de tuner afgestemd op 160 m en een 800 W draaggolf gedurende 2 minuten, wordt de rolspoel gloeiend heet! Naar mijn mening is 300 W continue vermogen en 1 kW PEP vermogen meer bij de waarheid. Is dat misschien de reden dat deze antennetuner opvallend veel 2dehands aangeboden wordt als men MFJ-989D met Google zoekt. Een Amerikaan was kennelijk ook niet zo happy met de spoel, want hij verving het door een type met dikker draad.

Verder is er een te lange weg van het sleepcontact naar een van de uiteinden van de rolspoel. Dat komt vooral door de loze ruimte tussen spoel en frontplaat. Waarschijlijk was de rolspoel (fig») voor een andere toepassing bedoeld en heeft de fabrikant voor deze tuner een flink aantal windingen verwijderd. Daardoor is vooral op 10 m de bedrading het grootste deel van de "spoel" en is het vaak moeilijk of onmogelijk om op de hoogste banden af te stemmen. Als het lukt heeft men op die banden teveel verlies. Verder moet de rolspoel tegen de klok in gedraaid worden om de zelfinductie te vergroten en dat is een ongebruikelijke methode. Een tegenovergestelde montage van 180º was in alle opzichten beter geweest.

Onderbreek of desoldeer de draad bij het pijltje en verleng (= rode draad) naar de linkerkant van de rolspoel.


De bedrading van de rolspoel is gewijzigd.
Gelukkig is een verbetering mogelijk. Onderbreek de verbinding van het sleepcontact naar de rolspoel en verleng de draad zoals met rood op de foto is ingetekend. Nu is er meer spoel en minder bedrading op de hogere banden en voor een grotere zelfinductie moet de rolspoel met de wijzers van de klok mee gedraaid worden zodat de teller "normaal" werkt.
DEFINITIEVE MONTAGE

Dit is de uiteindelijke montage geworden met zo kort mogelijke verbindingen tot de andere componenten.

Om de balun te monteren was er genoeg plaats boven de rolspoel met voldoende afstand tot de bovenkant van de metalen kast. De koperloze epoxy plaat werd met behulp van een lijmpistool aan de opstaande platen van de rolspoel vastgemaakt. Op zich is dat al stevig genoeg, maar de 6 mm² montagedraden houden de boel extra op hun plaats. Het een en ander zorgt ervoor dat de verbinding met de andere componenten zo kort mogelijk gehouden is.
De balun wordt aangesloten zoals dat op de een van de bovenstaande foto's gemarkeerd is; zie ook #b' en #c' in de volgende afbeelding.
TWEE SYMMETRISCHE UITGANGEN

De omgebouwde tuner kan zowel met coax als met openlijn gevoede antennes aan. Voor optimale aanpassing kan een openlijn parallel over rolspoel of over condensator C2 aangesloten worden. Beide systemen hebben voor en nadelen, maar parallel over de spoel is het meest in zwang. Probeer welke aansluiting maximale antennestroom oplevert.
Voor het direct voeden van een draadantenne moet er een draadbrug aangebracht worden tussen (fig») de antenne vleugelmoer en de vleugelmoer van het chassis.
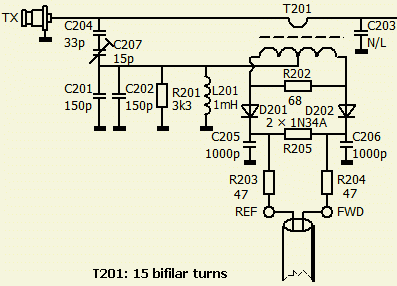
SWR SCHAKELING

Bij sommige eigenaars van 2dehands exemplaren was de SWR schakeling beschadigd of defect. MFJ levert geen losse printen, zodat men zelf het een en ander moet herstellen. Deze tuner is van een overleden zendamateur die bezig was met het veranderen van het afstemgedeelte. Voorzover de SWR print dat laat zien, is door hem niets aan de schakeling veranderd. Als men daarvan uitgaat, blijkt dat van fabriekswege R201, R205 en C203 weggelaten zijn.
Bij iemand was de print gedeeltelijk verbrand, zodat van ringkern T201 weinig over was en het aantal windingen niet meer te bepalen was. Het lijkt mij dat een ferriet ringkern van mix 43 zoals FT#-43 met 15 bifilaire windingen een goede vervanger kan zijn. Na overbelasting is het mogelijk dat de 1N34A germanium diodes D201 en D202 beschadigd zijn: doorgeslagen of gedeeltelijk geleidend geworden. Met enig zoekwerk op internet is dat type of een andere germanium diode nog wel te vinden. Zo niet dan is een Schottky diode (b.v. BAT85) een mogelijkheid en SWR = 1 zal wel kloppen, maar de rest van de schaal is niet meer betrouwbaar.